双回路型限动开关
塑料经济型限位开关
体积小,可防水、防油
内藏触点座有双簧片机构,机械寿命更长
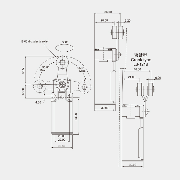
具有较大的过行程
引动器种类多,方便使用
|
额定电压
|
非电感性负载
|
电感性负载
|
|
电阻性负载
|
灯泡负载
|
电感性负载
|
马达负载
|
|
NC
|
NO
|
NC
|
NO
|
NC
|
NO
|
NC
|
NO
|
|
125VAC
|
5
|
5
|
1.5
|
0.7
|
3
|
3
|
2
|
1
|
|
250VAC
|
5
|
5
|
1
|
0.5
|
3
|
3
|
1.5
|
0.8
|
|
8VDC
|
5
|
5
|
3
|
3
|
5
|
4
|
3
|
3
|
|
14VDC
|
5
|
5
|
3
|
3
|
4
|
4
|
3
|
3
|
|
30VDC
|
5
|
5
|
3
|
3
|
4
|
4
|
3
|
3
|
|
125VDC
|
0.4
|
0.4
|
|
|
|
|
|
|
|
250VDC
|
0.2
|
0.2
|
|
|
|
|
|
|
|
突入流量
|
N.C.:24A 以下、N.O.:12A 以下
|
注:
1、电感性负载之功率因素在0.4 以上(AC)。时间常数在 7msec 以下(DC)。
2、灯泡负载之突入电流为稳定状态电流之10倍。马达负载之突入电流为稳定状态电流之6倍。
3、带弹簧系列产品,操作体的使用范围为从弹簧的前端到弹簧全长的 1/3 以内。
|
操作速度
|
5mm至0.5m/s
|
|
动作频率
|
电气:30次/分
|
|
接点电阻
|
25mΩ 以下(初期)
|
|
绝缘电阻
|
100MQ以上(在500VDC下)
|
|
电介强度
|
非连续端子间 1,000VAC,50/60Hz持续1分钟
|
|
载电流与无载电流零件间 1,500VAC,50/60Hz持续1分钟
|
|
端子和接地之间 1,500VAC,50/60Hz持续1分钟
|
|
振动
|
10至55Hz,1.5mm 双振幅1
|
|
冲击
|
机械耐久:1,000m/sec(约100G’S)误动作耐久:300m/Sec((约 30G’S)
|
|
周围温度
|
使用时:-20~+70°C(没有结冰)
|
|
湿度
|
95%RH 以下
|
|
电气寿命
|
50.000 次以上
|
|
电缆种类/长度
|
0.5mm²,2m
|
|
保护构造
|
IP66
|
|
型号
|
SLS
|
101 301
|
102/103 302/303
|
111 311
|
121/121M 321/321M
|
127 327
|
131/131M 331/331M
|
161 361
|
171 371
|
181 381
|
191 391
|
|
操作力
|
OF(最大)(Max,)
|
700g
|
700g
|
700g
|
500g
|
700g
|
500g
|
100g
|
100g
|
100g
|
500g
|
|
回弹力
|
RF(最小)(Min.)
|
200g
|
200g
|
200g
|
100g
|
200g
|
100g
|
40g
|
40g
|
40g
|
100g
|
|
预行程
|
PT(最大)(Max.)
|
1.8mm
|
1.8mm
|
1.8mm
|
20°
|
1.8mm
|
20°
|
30mm
|
30mm
|
30mm
|
20°
|
|
触发位置
|
TP±10%
|
2.0mm
|
2.0mm
|
2.0mm
|
22.5°
|
2.0mm
|
22.5°
|
22.5°
|
22.5°
|
22.5°
|
22.5°
|
|
行程移动分辨率
|
MD(最大)(Max.)
|
1.2mm
|
1.2mm
|
1.2mm
|
10°
|
1.2mm
|
10°
|
14°
|
14°
|
14°
|
10°
|
|
过行程
|
OT(最小)(Min.)
|
4.0mm
|
4.0mm
|
4.0mm
|
75°
|
4.0mm
|
75°
|
20mm
|
20mm
|
20mm
|
75°
|
|
总行程
|
TT(最小)(Min.)
|
5.8mm
|
5.8mm
|
5.8mm
|
95°
|
5.8mm
|
95°
|
50mm
|
50mm
|
50mm
|
95°
|
|
摇臂转换分角度
|
|
|
|
|
22.5°
|
22.5°
|
22.5°
|
|
|
|
22.5°
|