浙江施泰德电气科技有限公司产品中心 浙江施泰德电气科技有限公司产品中心
产品概述 选型说明 规格 强制脱离机构 电路连接示例 指示灯特性 结构 尺寸图

可选择操作钥匙的插入方向和可调节安装确保安装的灵活性。 

备有多接点结构型内置开关。 

钥匙锁定力为1300N以上。 

可用于一般负载或微小负载。 

IP67保护结构。

1.导管口尺寸 

1: Pg13.5 

2: G1/2 

4: M20 

2.内置开关(门开合检测开关+锁定监控开关的接点构成) 

A: 1NC/1NO (慢动接点) + 1NC/1NO (慢动接点) 

B: 1NC/1NO (慢动接点) + 2NC (慢动接点) 

C: 2NC (慢动接点) + 1NC/1NO (慢动接点) 

D: 2NC (慢动接点) + 2NC (慢动接点) 

E: 2NC/1NO (慢动接点) + 1NC/1NO (慢 动接点) 

F: 2NC/1NO (慢动接点) + 2NC (慢动接点) 

G: 3NC (慢动接点) + 1NC/1NO (慢动接点) 

H: 3NC (慢动接点) + 2NC (慢动接点) 

3.头部安装方向和材质 

F:四个安装方向可选(交货时为前侧安装) / 塑料 

D:四个安装方向可选(交货时为前侧安装) / 金属 

4.门锁定/释放方式 

A:机械锁定/DC24V电磁释放 

B:机械锁定 /AC110V 电磁释放 

G: DC24V电磁锁定/机械释放 

H: AC110V 电磁锁定/机械释放

5.指示灯 

B: AC/DC10~ 115V (橙色LED指示灯) 

6.释放钥匙类型 

空白:标准型(树脂) 

4:特殊释放钥匙(树脂) 

(注:释放钥匙随附。) 

7.释放钥匙位置 

空白:底部 

S:前面

保护结构*1 IP67(EN 60947-5-1)
寿命 电气 500000次以上(AC250V3A、电阻负载}3
操作速度 0.05~0.5m/s
强制断开力*4 最小6ON/(EN 60947-5-1)
强制断开预行程*4 最小10mm(EN 60947-5-1)
接点电阻 25mΩ 以下(初期值)
最小适用负载*5 DC24V 10mA 以上
额定绝爆电压(UI) 300V
额定频率 50/60Hz
防触电保护等级 Class I
污染度(使用环境) 污染度 3(EN 60947-5-1})
额定冲击耐受电压 2.5kV
绝缘电阻 100MΩ 以上(在500VDC 以下]
接点间隔 2 x 2mm 以上
振动 误动作 10~55Hz0.75mm 单报幅
冲击 耐久 1,000m/s2
误动作 100m/s2
条件短路电流 100A(EN 60947-5-1)
额定开放热电流(lth) 10A (EN 60947-5-1)
环境温度 -10~55°C(无结冰)
环境湿度 95%RH 以下
重量 约370g(D4NL-LAFA-B)

1、上述为初期的值。

2、开关接点可用于一般负载或微小负载。但是,已经连接过一般负载的接点,就不能用于连接更小容量的负载。因为接点表面在使用后可能会变得粗燥而导致小负载的接触可靠性降低。

*1.本保护结构为基于标准(EN 60947-5-1)规定的测试方法测得的数值。请事先确认密封性是否适应使用条件和环境。尽管开关本体的设计结构可防止尘埃和水等的进入,但请不要在粉屑、油、水或药品等易进入头部钥匙插入孔的场所使用D4NL。否则,可能导致开关损坏或发生故障。 

*2.寿命的测试条件为:环境温度5~35° C、环境湿度409%~70%。详情请咨询。 

*3.请不要对2个以上电路通电AC250V、3A。 

*4.以上数值为可进行安全操作的最低要求。 

*5.根据GS-ET-19的测试方法测得。 

*6.该数值可能随开关频率、环境条件、可靠性水准等而变化。请事先用实际负载来确认。

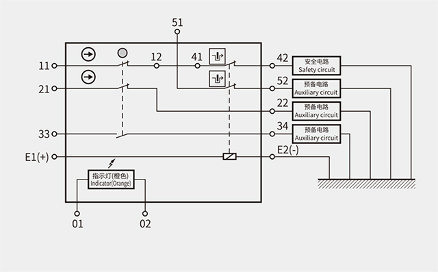
D4NL-口FDO-B连接示例 

端子12-41在内部连接。安全电路的输入请连接在端子11-42上。(GS-ET-19)。 

作为安全电路输入(下述端子11-12、41-42 的冗余电路)使用时,请将21-22、51-52 端子串联使用。此外,作为对预备电路的输入(例如保护门的开关监视:端子21-22,锁定状态的监视:端子51-52)使用时,请分别连接使用。 

下面的连接实例为将端子21-22,51-52 作为预备电路的输入使用的情况。 

用作安全电路输入的强制断开接点用标识符号表示。端子11-42 和21-22具有强制断开接点。 

指示灯请和预备电路或端子E1-E2并联使用(D4NL-0OOA-B、-000G-B、-000B-B和-000 H-B)。 

如果指示灯损坏,与带强制断开机制的接点连接可能导致短路电流通过,可能导致设备运行故障。 

请不要同时进行2回路以上一般负载的开关。否则,绝缘性能可能会降低。 

DC螺线管有极性。请确认端子的极性后再接线。

项目 种类 DC24V AC110V
额定工作电压 24VDC -15%~+10% AC110V士10%
电流消耗 约 200mA 约 50mA
绝缘 Class B(130°C以下)
下一个产品:D4NL-4AFA-BS
Copyright © 浙江施泰德电气科技有限公司 All rights reserved 备案号:浙ICP备13037614号-1     技术支持:365网站建设