浙江施泰德电气科技有限公司产品中心 浙江施泰德电气科技有限公司产品中心

SD-8104G(钢轮)

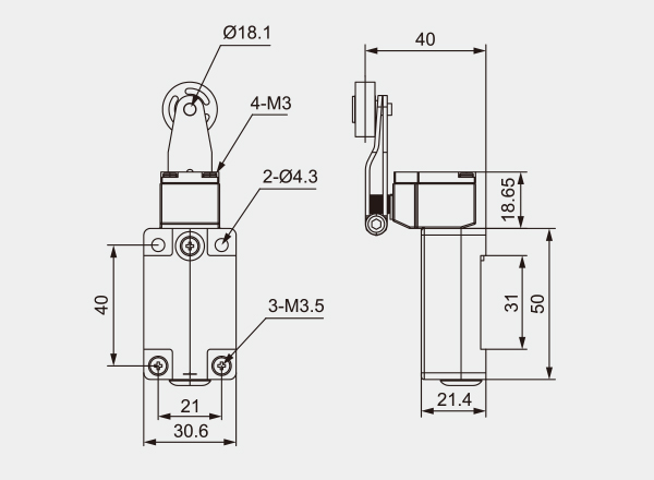
产品概述 接点型式 额定值 规格 动作特性 尺寸图

双回路型限动开关

结构坚固,由锌合金及强化塑胶组成

体积小,可防水、防油

内藏触点座有双簧片机构,机械寿命更长

具有较大的过行程

使配线更加简易的导管设计

引动器种类多,方便使用

额定电压 非电感性负载 电感性负载
电阻性负载 灯泡负载 电感性负载 马达负载
NC NO NC NO NC NO NC NO
125VAC 5 5 1.5 0.7 3 3 2 1
250VAC 5 5 1 0.5 3 3 1.5 0.8
8VDC 5 5 3 3 5 4 3 3
14VDC 5 5 3 3 4 4 3 3
30VDC 5 5 3 3 4 4 3 3
125VDC 0.4 0.4
250VDC 0.2 0.2
突入流量 N.C.:24A 以下、N.O.:12A 以下

注:

1、电感性负载之功率因素在0.4 以上(AC)。时间常数在 7msec 以下(DC)。 

2、灯泡负载之突入电流为稳定状态电流之10倍。马达负载之突入电流为稳定状态电流之6倍。 

3、带弹簧系列产品,操作体的使用范围为从弹簧的前端到弹簧全长的 1/3 以内。

操作速度 5mm至0.5m/s
动作频率 电气:30次/分
接点电阻 25mΩ 以下(初期)
绝缘电阻 100MQ以上(在500VDC下)
电介强度 非连续端子间 1,000VAC,50/60Hz持续1分钟
载电流与无载电流零件间 1,500VAC,50/60Hz持续1分钟
端子和接地之间 1,500VAC,50/60Hz持续1分钟
振动 10至55Hz,1.5mm 双振幅1
冲击 机械耐久:1,000m/sec(约100G’S)误动作耐久:300m/Sec((约 30G’S)
周围温度 使用时:-20~+70°C(没有结冰)
湿度 95%RH 以下
电气寿命 50.000 次以上
电缆种类/长度 0.5mm²,2m
保护构造 IP68
型号 SD-8 SD-8104/8104G SD-8108/8108G SD-8107 SD-8111 SD-8112/8122 SD-8166 SD-8167 SD-8168 SD-8169
操作力 OF(最大)(Max,) 670g 680g 650g 810g 830g 140g 132g 130g 143g
回弹力 RF(最小)(Min.) 75g 75g 75g 130g 120g - - - -
预行程 PT(最大)(Max.) 20° 20° 20° 1.2mm 1.2mm 32mm 30mm 30mm 34mm
过行程 OT(最小)(Min.) 50° 50° 50° 4mm 4.2mm - - - -
行程移动分辨率 MD(最大)(Max.) 12° 12° 12° 1mm 1mm - - - -
动作位置 OP(mm.) 28±lmm 40±lmm - - - -
Copyright © 浙江施泰德电气科技有限公司 All rights reserved 备案号:浙ICP备13037614号-1     技术支持:365网站建设