浙江施泰德电气科技有限公司产品中心 浙江施泰德电气科技有限公司产品中心
产品概述 接点型式 额定值 规格 动作特性 尺寸图

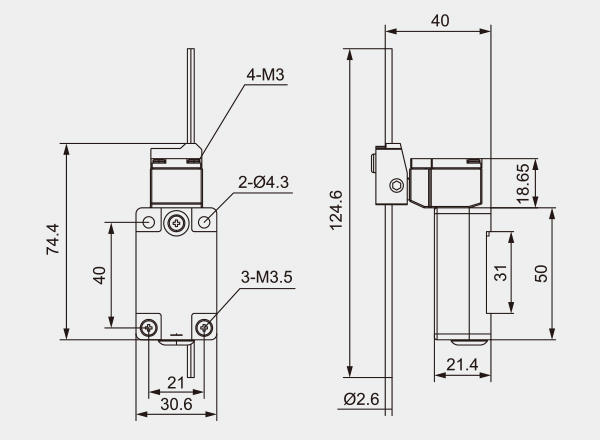
双回路型限动开关

结构坚固,由锌合金及强化塑胶组成

体积小,可防水、防油

内藏触点座有双簧片机构,机械寿命更长

具有较大的过行程

使配线更加简易的导管设计

引动器种类多,方便使用

额定电压 非电感性负载 电感性负载
电阻性负载 灯泡负载 电感性负载 马达负载
NC NO NC NO NC NO NC NO
125VAC 5 5 1.5 0.7 3 3 2 1
250VAC 5 5 1 0.5 3 3 1.5 0.8
8VDC 5 5 3 3 5 4 3 3
14VDC 5 5 3 3 4 4 3 3
30VDC 5 5 3 3 4 4 3 3
125VDC 0.4 0.4
250VDC 0.2 0.2
突入流量 N.C.:24A 以下、N.O.:12A 以下

注:

1、电感性负载之功率因素在0.4 以上(AC)。时间常数在 7msec 以下(DC)。 

2、灯泡负载之突入电流为稳定状态电流之10倍。马达负载之突入电流为稳定状态电流之6倍。 

3、带弹簧系列产品,操作体的使用范围为从弹簧的前端到弹簧全长的 1/3 以内。

操作速度 5mm至0.5m/s
动作频率 电气:30次/分
接点电阻 25mΩ 以下(初期)
绝缘电阻 100MQ以上(在500VDC下)
电介强度 非连续端子间 1,000VAC,50/60Hz持续1分钟
载电流与无载电流零件间 1,500VAC,50/60Hz持续1分钟
端子和接地之间 1,500VAC,50/60Hz持续1分钟
振动 10至55Hz,1.5mm 双振幅1
冲击 机械耐久:1,000m/sec(约100G’S)误动作耐久:300m/Sec((约 30G’S)
周围温度 使用时:-20~+70°C(没有结冰)
湿度 95%RH 以下
电气寿命 50.000 次以上
电缆种类/长度 0.5mm²,2m
保护构造 IP68
型号 SD-8 SD-8104/8104G SD-8108/8108G SD-8107 SD-8111 SD-8112/8122 SD-8166 SD-8167 SD-8168 SD-8169
操作力 OF(最大)(Max,) 670g 680g 650g 810g 830g 140g 132g 130g 143g
回弹力 RF(最小)(Min.) 75g 75g 75g 130g 120g - - - -
预行程 PT(最大)(Max.) 20° 20° 20° 1.2mm 1.2mm 32mm 30mm 30mm 34mm
过行程 OT(最小)(Min.) 50° 50° 50° 4mm 4.2mm - - - -
行程移动分辨率 MD(最大)(Max.) 12° 12° 12° 1mm 1mm - - - -
动作位置 OP(mm.) 28±lmm 40±lmm - - - -
Copyright © 浙江施泰德电气科技有限公司 All rights reserved 备案号:浙ICP备13037614号-1     技术支持:365网站建设