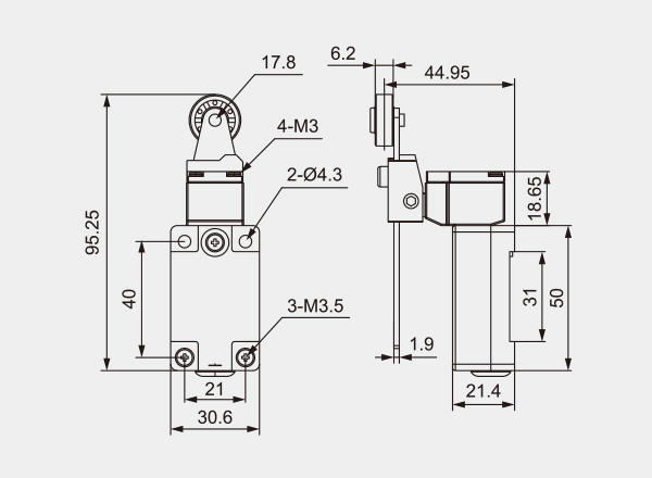
双回路型限动开关
结构坚固,由锌合金及强化塑胶组成
体积小,可防水、防油
内藏触点座有双簧片机构,机械寿命更长
具有较大的过行程
使配线更加简易的导管设计
引动器种类多,方便使用
|
额定电压
|
非电感性负载
|
电感性负载
|
|
电阻性负载
|
灯泡负载
|
电感性负载
|
马达负载
|
|
NC
|
NO
|
NC
|
NO
|
NC
|
NO
|
NC
|
NO
|
|
125VAC
|
5
|
5
|
1.5
|
0.7
|
3
|
3
|
2
|
1
|
|
250VAC
|
5
|
5
|
1
|
0.5
|
3
|
3
|
1.5
|
0.8
|
|
8VDC
|
5
|
5
|
3
|
3
|
5
|
4
|
3
|
3
|
|
14VDC
|
5
|
5
|
3
|
3
|
4
|
4
|
3
|
3
|
|
30VDC
|
5
|
5
|
3
|
3
|
4
|
4
|
3
|
3
|
|
125VDC
|
0.4
|
0.4
|
|
|
|
|
|
|
|
250VDC
|
0.2
|
0.2
|
|
|
|
|
|
|
|
突入流量
|
N.C.:24A 以下、N.O.:12A 以下
|
注:
1、电感性负载之功率因素在0.4 以上(AC)。时间常数在 7msec 以下(DC)。
2、灯泡负载之突入电流为稳定状态电流之10倍。马达负载之突入电流为稳定状态电流之6倍。
3、带弹簧系列产品,操作体的使用范围为从弹簧的前端到弹簧全长的 1/3 以内。
|
操作速度
|
5mm至0.5m/s
|
|
动作频率
|
电气:30次/分
|
|
接点电阻
|
25mΩ 以下(初期)
|
|
绝缘电阻
|
100MQ以上(在500VDC下)
|
|
电介强度
|
非连续端子间 1,000VAC,50/60Hz持续1分钟
|
|
载电流与无载电流零件间 1,500VAC,50/60Hz持续1分钟
|
|
端子和接地之间 1,500VAC,50/60Hz持续1分钟
|
|
振动
|
10至55Hz,1.5mm 双振幅1
|
|
冲击
|
机械耐久:1,000m/sec(约100G’S)误动作耐久:300m/Sec((约 30G’S)
|
|
周围温度
|
使用时:-20~+70°C(没有结冰)
|
|
湿度
|
95%RH 以下
|
|
电气寿命
|
50.000 次以上
|
|
电缆种类/长度
|
0.5mm²,2m
|
|
保护构造
|
IP68
|
|
型号
|
SD-8
|
SD-8104/8104G
|
SD-8108/8108G
|
SD-8107
|
SD-8111
|
SD-8112/8122
|
SD-8166
|
SD-8167
|
SD-8168
|
SD-8169
|
|
操作力
|
OF(最大)(Max,)
|
670g
|
680g
|
650g
|
810g
|
830g
|
140g
|
132g
|
130g
|
143g
|
|
回弹力
|
RF(最小)(Min.)
|
75g
|
75g
|
75g
|
130g
|
120g
|
-
|
-
|
-
|
-
|
|
预行程
|
PT(最大)(Max.)
|
20°
|
20°
|
20°
|
1.2mm
|
1.2mm
|
32mm
|
30mm
|
30mm
|
34mm
|
|
过行程
|
OT(最小)(Min.)
|
50°
|
50°
|
50°
|
4mm
|
4.2mm
|
-
|
-
|
-
|
-
|
|
行程移动分辨率
|
MD(最大)(Max.)
|
12°
|
12°
|
12°
|
1mm
|
1mm
|
-
|
-
|
-
|
-
|
|
动作位置
|
OP(mm.)
|
|
|
|
28±lmm
|
40±lmm
|
-
|
-
|
-
|
-
|